The wave guide slip ring, also known as the wave guide rotary joint, it is specially developed for microwave transmission. It has the ability to transmit high frequency bandwidth and high power. The highest frequency can reach 94GHz. It can provide 1 channel of separate wave guide transmission, it can also be used as a conductive slip ring to achieve simultaneous transmission of wave guide, coaxial, power and precision signals, etc
ECN000-26P-01R | Specification |
| Current | 4*40A,10*1A,12*1A,1*Wave guide |
| Voltage | 0~250VAC/VDC |
| Electrical noise | ≤30mΩ(50rpm) |
| Dielectric strength | ≥1500V@50Hz(power) ≥500V@50Hz (signal) |
| Isolation resistance | 500MΩ@500VDC(power) 100MΩ@500VDC(signal) |
| Operating speed | 0-50 rpm |
| Interface type | CPR284G(EIA RS-271A) |
| Frequency range | 2.7~2.9 GHz |
| Peak power ,max | 1.0MW |
| Insertion loss ,max | 0.2dB |
| VSWR,max | 1.2 |
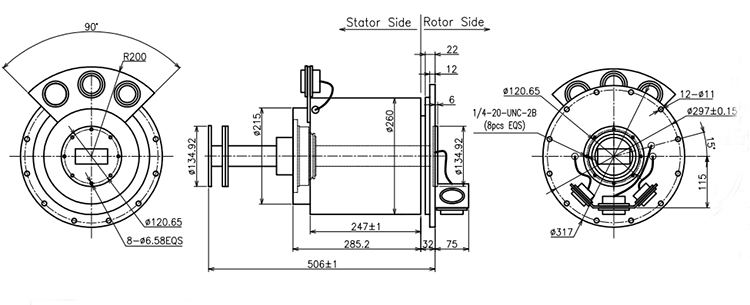
Outline drawing
